

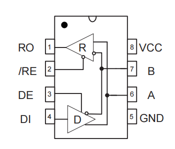
端口类型 | RS485 |
封装类型 | SO-8 |
供电电压(V) | 5.0 |
传输速率 | 115K |
通道数量 | 1 |
带载数量 | 256 |
静电防护能力 | 16KV |
外部电容(uF) | / |
半/全双工 | Half |
极性 | Yes |

5.0V工作电压,半双工
低功耗关断功能
真正的失效保护接收器
DE与/RE采用热插拔输入结构
1/8单位负载,允许最多256个器件连接到总线
具有摆率限制功能有助于实现无差错数据传输
I/O口采用增强型ESD保护(±16kV IEC 61000-4-2模型)
在电噪声环境中的数据传输速率115Kbps
半双工产品,5V供电,支持0-115Kbps低速率传输,集成了ESD静电保护、失效保护、过温保护,具有低功耗关断和热插拔功能,广泛应用于工业控制系统,自动化设备,仪器仪表等领域的数据通信。

UN3082E.pdf