

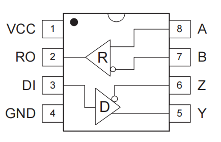
端口类型 | RS485 |
封装类型 | SO-8 |
供电电压(V) | 5.0 |
传输速率 | 16M |
通道数量 | 1 |
带载数量 | 256 |
静电防护能力 | 16KV |
外部电容(uF) | / |
半/全双工 | Full |
极性 | Yes |

5.0V工作电压,全双工
DE与/RE采用热插拔输入结构
1/8单位负载,允许最多256个器件连接到总线
I/O口采用增强型ESD保护(±16kV IEC 61000-4-2模型)
在电噪声环境中的数据传输速率高达16Mbps
全 双 工 产 品,5V 供 电,传 输 速 率 可 达16Mbps,集成了ESD静电保护、过温保护,具有热插拔功能,广泛应用于工业控制系统,自动化设备,仪器仪表等领域的数据通信。

UN490E.pdf